武汉厘米自动化设备有限公司
光电耦合封装系统
分析测试探针系统
精密运动控制平台
光应用器件组件
精密减振系统

MSPB 空气薄膜式减振器

MSPB 空气薄膜式减振器
  • 产品介绍
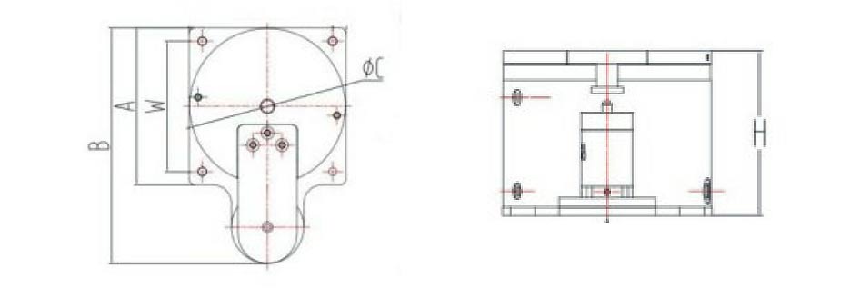
  • 外形尺寸

【产品介绍】

MSPB 空气薄膜式减振器是一款空气弹簧式减振器,带水平调节装置,内带节流阀可调节流速,调节设备运行的稳定性,同时具有较低的固有频率,有效的衰减低频振动,保证设备不受外界振动干扰。

【技术参数】

固有频率:垂直方向 2.5-2.7HZ,水平方向 2.5-3HZ

阻尼:垂直方向 6%-20% 

工作方式:持续通气,自动调整水平 

水平调节阀精度:0.15mm/m


【产品参数】

规格型号

L(mm)

B(mm)

W(mm)

H(mm)

最大荷载(kg)

MSPA95

270

200

150

145

900

MSPA250

330

260

230

153

2350

MSPA600

450

380

350

153

5800