武汉厘米自动化设备有限公司
光电耦合封装系统
分析测试探针系统
精密运动控制平台
光应用器件组件
精密减振系统

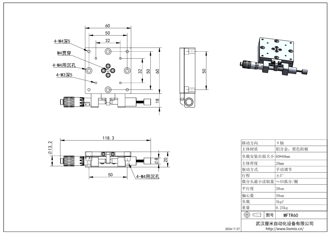
MFTR方型小角度旋转台

MFTR方型小角度旋转台
  • 产品介绍
  • 图纸/资料下载

【产品参数】

型号

材质

驱动方式

厚度
(mm)

台面大小
(mm)

行程

最小读数

平行度
(µm)

负载
(kgf)

重量
(kg)

MFTR40

铝合金(黑色阳极)

微分头

20

40 × 40

±5

1.08''

30

3

0.14

MFTR60

60 × 60

50''

0.25

MFTR80

80 × 80

45''

4

0.45

MFTR125

30

125 × 125

32''

50

5

0.82