武汉厘米自动化设备有限公司
光电耦合封装系统
分析测试探针系统
精密运动控制平台
光应用器件组件
精密减振系统

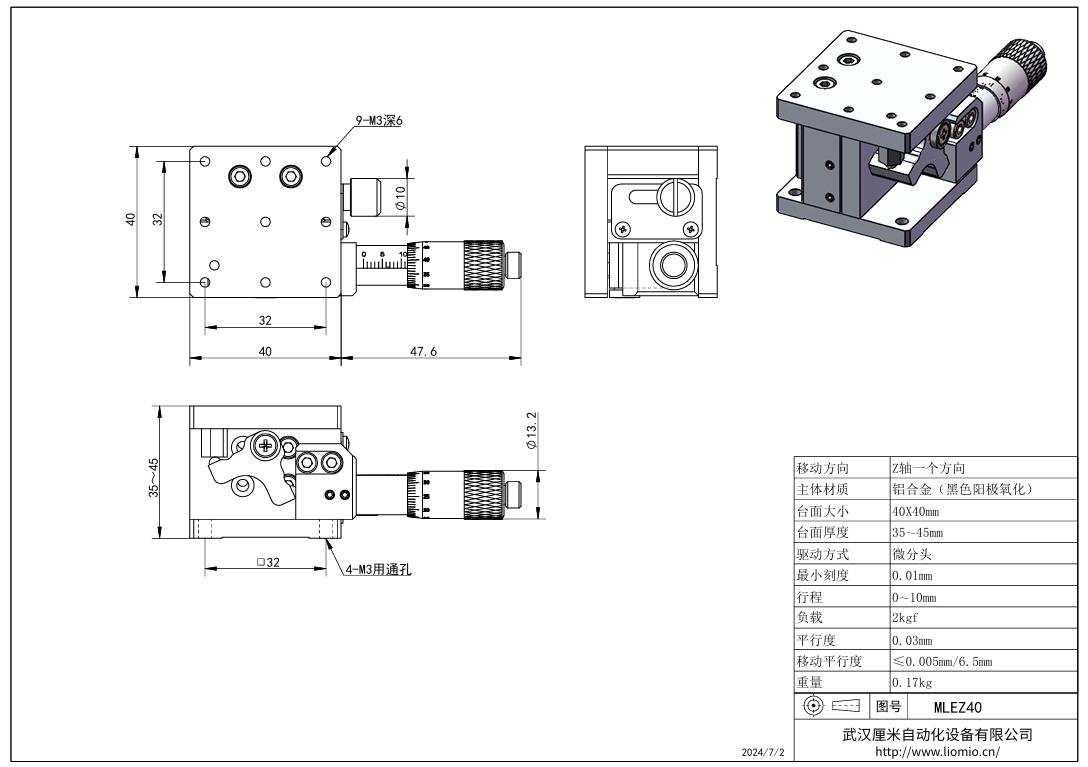
MLEZ 经济款交叉滚子导轨水平升降台

  • 产品介绍
  • 图纸/资料下载

【产品说明】

1、材质:全系列均为铝合金黑色阳极。

 2、行程:所有型号行程统一为 10 mm。

 3、厚度:提供不同厚度版本(如 MLEZ60/MLEZ60L),厚度范围随台面尺寸略有增加。

 4、精度:移动平行度统一为 ≤0.01 mm,平行度分为两档:小台面(≤90 型)为 0.05 mm,最大台面(125 型)为 0.1 mm。

 5、负载与重量:随台面尺寸增大,负载和重量同步提升。 

【产品参数】

型号

材质

台面大小
(mm)

行程
(mm)

厚度
(mm)

平行度
(mm)

移动平行度
(mm)

负载
(kgf)

重量
(kg)

MLEZ40

铝合金黑色阳极

40 × 40

10

35 ~ 45

0.05

≤0.01

2

0.17

MLEZ60

60 × 60

3

0.27

MLEZ60L

42 ~ 52

6

0.39

MLEZ80

80 × 80

40 ~ 50

9

0.57

MLEZ90

90 × 90

9

0.71

MLEZ125

125 × 125

45 ~ 55

0.1

15

1.34