武汉厘米自动化设备有限公司
光电耦合封装系统
分析测试探针系统
精密运动控制平台
光应用器件组件
精密减振系统

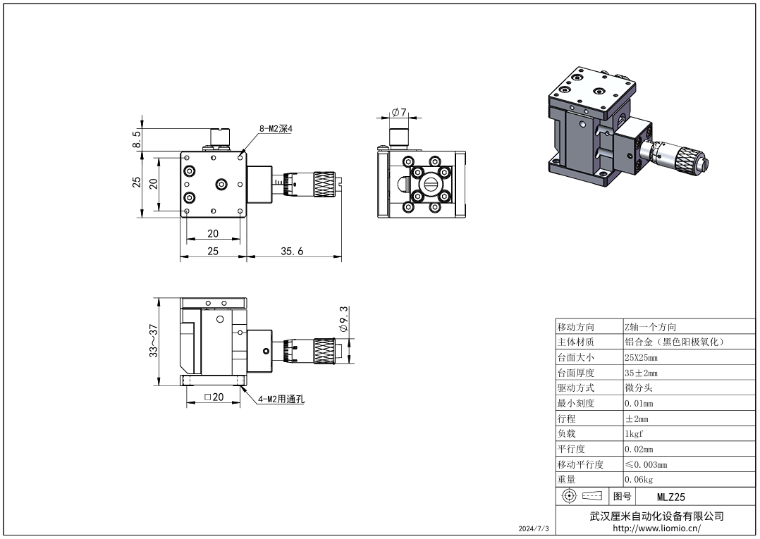
MLZ 交叉滚子导轨水平升降位移台

MLZ 交叉滚子导轨水平升降位移台,武汉厘米自动化
  • 产品介绍
  • 图纸/资料下载

【产品说明】

 1、材质:全系列均为铝合金黑色阳极。

 2、行程:分为 4 mm、6 mm、10 mm 三档,同台面尺寸可提供不同行程版本(如 MLZ60/MLZ60L)。

 3、厚度:随型号变化,部分型号提供不同厚度版本(如 MLZ40/MLZ40H)。

 4、精度:移动平行度统一为 ≤0.01 mm,平行度随台面增大而提升(0.02 → 0.04 → 0.06 mm)

【产品参数】

型号

材质

台面大小
(mm)

行程
(mm)

厚度
(mm)

平行度
(mm)

移动平行度
(mm)

负载
(kgf)

重量
(kg)

MLZ25

铝合金黑色阳极

25 × 25

4

33 ~ 37

0.02

≤0.01

1

0.06

MLZ40

40 × 40

6

37 ~ 43

0.04

0.22

MLZ40H

42 ~ 48

2

0.22

MLZ60

60 × 60

10

50 ~ 60

4

0.66

MLZ60L

6

37 ~ 43

2

0.33

MLZ80

80 × 80

10

50 ~ 60

0.06

5

1