武汉厘米自动化设备有限公司
光电耦合封装系统
分析测试探针系统
精密运动控制平台
光应用器件组件
精密减振系统

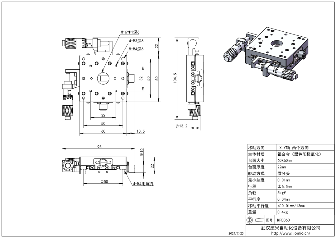
MPBB超薄交叉滚子导轨位移台

  • 产品介绍
  • 图纸/资料下载
【产品参数】

型号

材质

台面大小 (mm)

厚度 (mm)

行程 (mm)

负载 (kgf)

平行度 (mm)

移动平行度 (mm)

重量 (kg)

MPBB40

铝合金黑色阳极

40 × 40

22

±6.5

1

0.004

≤0.01

0.2

MPBB60

60 × 60

3

0.4

MPBB80

80 × 80

±12.5

5

0.006

0.7

MPBB100

100 × 100

6.5

1