武汉厘米自动化设备有限公司
光电耦合封装系统
分析测试探针系统
精密运动控制平台
光应用器件组件
精密减振系统

MRT-A/MRPT-A系列交叉滚子工作台

  • 产品介绍
  • 外形尺寸
  • 资料下载

【特点

·MRT-A/MRPT-A系列交叉滚子工作台基座上开沉头孔;

·防尘结构设计,有效保持设备清洁
·全行程运动设计,确保运行稳定无倾斜
·润滑周期可根据使用环境灵活调整,保障设备持久精度

注:MRPT系列材质:铝合金(黑色阳极氧化)

       MRT系列材质:SUS440C


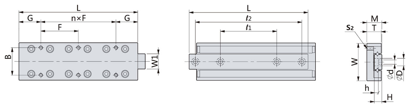
【产品型号及参数

规格名称
台面尺寸
(mm)
厚度
(mm)
行程
(mm)
移动方向 驱动方式 n×F 主要材质 台面安装孔规格 承载力(KN) 平行度(mm) 移动平行度(mm)
MRPT-A1025/MRT-A1025 25×20 8 ±6 X轴 交叉滚子导轨 1×18
MRPT-A:铝合金(黑色阳极氧化)
MRT-A:SUS440C
M2.5
MRPT-A1035/MRT-A1035 35×20 ±9 1×28 0.38 0.02 ≤0.005
MRPT-A1045/MRT-A1045 45×20 ±12.5 1×20 0.56 0.02 ≤0.005
MRPT-A1055/MRT-A1055 55×20 ±16 1×30 0.65 0.02 ≤0.005
MRPT-A1065/MRT-A1065 65×20 ±20 2×20 0.73 0.03 ≤0.005
MRPT-A1075/MRT-A1075 75×20 ±22.5 1×30 0.87 0.03 ≤0.005
MRPT-A1085/MRT-A1085 85×20 ±25 2×30 0.94 0.03 ≤0.005
MRPT-A2035/MRT-A2035 35×30 12 ±9 X轴 交叉滚子导轨 1×28
MRPT:铝合金(黑色阳极
氧化)
MRT:SUS440C
M3 0.51 0.01 ≤0.005
MRPT-A2050/MRT-A2050 50×30 ±15 1×43 0.69 0.01 ≤0.005
MRPT-A2065/MRT-A2065 65×30 ±20 1×30 0.85 0.015 ≤0.005
MRPT-A2080/MRT-A2080 80×30 ±25 1×45 0.98 0.02 ≤0.005
MRPT-A2095/MRT-A2095 95×30 ±30 2×30 1.18 0.04 ≤0.005
MRPT-A20110/MRT-A20110 110×30 ±35 1×45 1.47 0.04 ≤0.005
MRPT-A20125/MRT-A20125 125×30 ±40 2×45 1.57 0.04 ≤0.005
MRPT-A3055/MRT-A3055 55×40 16 ±15 X轴 交叉滚子导轨 1×40
MRPT:铝合金(黑色阳极
氧化)
MRT:SUS440C
M4 2.16 0.02 ≤0.005
MRPT-A3080/MRT-A3080 80×40 ±22.5 1×65
MRPT-A30105/MRT-A30105 105×40 ±30 1×50
MRPT-A30130/MRT-A30130 130×40 ±37.5 1×75
MRPT-A30155/MRT-A30155 155×40 ±45 2×50