武汉厘米自动化设备有限公司
光电耦合封装系统
分析测试探针系统
精密运动控制平台
光应用器件组件
精密减振系统

MRU/MRSU系列交叉滚子工作台

交叉滚子工作台,武汉厘米自动化
  • 产品介绍
  • 外形尺寸
  • 资料下载

【特点

·防尘结构设计,有效保持设备清洁
·全行程运动设计,确保运行稳定无倾斜
·润滑周期可根据使用环境灵活调整,保障设备持久精度

注:MRU系列材质:铝合金(黑色阳极氧化)

       MRSU系列材质:SUS440C


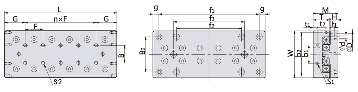
【产品型号及参数

规格名称 台面尺寸
(mm)
厚度
(mm)
行程
(mm)
移动方向 驱动方式 n×F 主要材质 台面安装孔规格 承载力(KN) 平行度(mm) 移动平行度(mm) 重量(kg)
MRU-1025/MRSU-1025 25×30 17 ±6 X轴 DV导轨 - MRU:铝合金(黑色阳极氧化)
MRSU:SUS440C
M2 0.28 ≤0.008 ≤0.005 0.035
MRU-1035/MRSU-1035 35×30 ±9 1×10 0.38 0.01 ≤0.005/13 0.045
MRU-1045/MRSU-1045 45×30 ±12.5 2×10 0.56 0.01 ≤0.005/13 0.06
MRU-1055/MRSU-1055 55×30 ±16 3×10 0.65 0.01 ≤0.005/13 0.07
MRU-1065/MRSU-1065 65×30 ±20 4×10 0.73 ≤0.009 ≤0.005 0.1
MRU-1075/MRSU-1075 75×30 ±22.5 5×10 0.87 0.01 ≤0.005/13 0.11
MRU-1085/MRSU-1085 85×30 ±25 6×10 0.94 0.01 ≤0.005/13 0.15
MRU-2035/MRSU-2035 35×40 21 ±9 X轴 DV导轨 - MRU:铝合金(黑色阳极
氧化)
MRSU:SUS440C
M3/M2 0.51 0.01 ≤0.005 0.1
MRU-2050/MRSU-2050 50×40 ±15 1×15 0.69 0.03 ≤0.005 0.12
MRU-2065/MRSU-2065 65×40 ±20 2×15 0.85 0.03 ≤0.005 0.15
MRU-2080/MRSU-2080 80×40 ±25 3×15 1.18 0.03 ≤0.005 0.18
MRU-2095/MRSU-2095 95×40 ±30 4×15 1.27 0.03 ≤0.005 0.22
MRU-20110/MRSU-20110 110×40 ±35 5×15 1.57 0.03 ≤0.005 0.28
MRU-20125/MRSU-20125 125×40 ±40 6×15 1.57 0.03 ≤0.005 0.28
MRU-3055/MRSU-3055 55×60 28 ±15 X轴 DV导轨 - MRU:铝合金(黑色阳极
氧化)
MRSU:SUS440C
M4/M3 1.47 ≤0.008 ≤0.005 0.25
MRU-3080/MRSU-3080 80×60 ±22.5 1×25 2.06 ≤0.008 ≤0.005 0.315
MRU-30105/MRSU-30105 105×60 ±30 2×25 2.35 0.03 ≤0.007 0.43
MRU-30130/MRSU-30130 130×60 ±37.5 3×25 2.94 0.03 ≤0.007 0.47
MRU-30155/MRSU-30155 155×60 ±45 4×25 3.53 0.03 ≤0.007 0.47
MRU-30180/MRSU-30180 180×60 ±52.5 5×25 4.02 0.03 ≤0.007 0.73
MRU-30205/MRSU-30205 205×60 ±65 6×25
MRU-4085/MRSU-4085 85×80 35 ±25 X轴 DV导轨 - MRU:铝合金(黑色阳极
氧化)
MRSU:SUS440C
M5/M3
MRU-40125/MRSU-40125 125×80 ±37.5 1×40
MRU-40165/MRSU-40165 165×80 ±52.5 2×40
MRU-40205/MRSU-40205 205×80 ±67.5 3×40
MRU-40245/MRSU-40245 245×80 ±77.5 4×40
MRU-60110/MRSU-60110 110×100 45 ±30 X轴 DV导轨 - MRU:铝合金(黑色阳极
氧化)
MRSU:SUS440C
M6/M4
MRU-60160/MRSU-60160 160×100 ±47.5 1×50
MRU-60210/MRSU-60210 210×100 ±65 2×50
MRU-60260/MRSU-60260 260×100 ±82.5 3×50
MRU-60310/MRSU-60310 310×100 ±100 4×50