武汉厘米自动化设备有限公司
光电耦合封装系统
分析测试探针系统
精密运动控制平台
光应用器件组件
精密减振系统

MSJ系列(双剪式)

MSJ系列(双剪式),武汉厘米自动化
  • 产品介绍

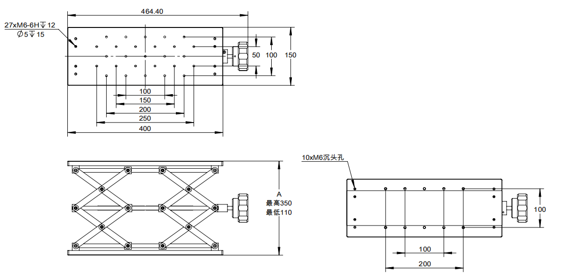
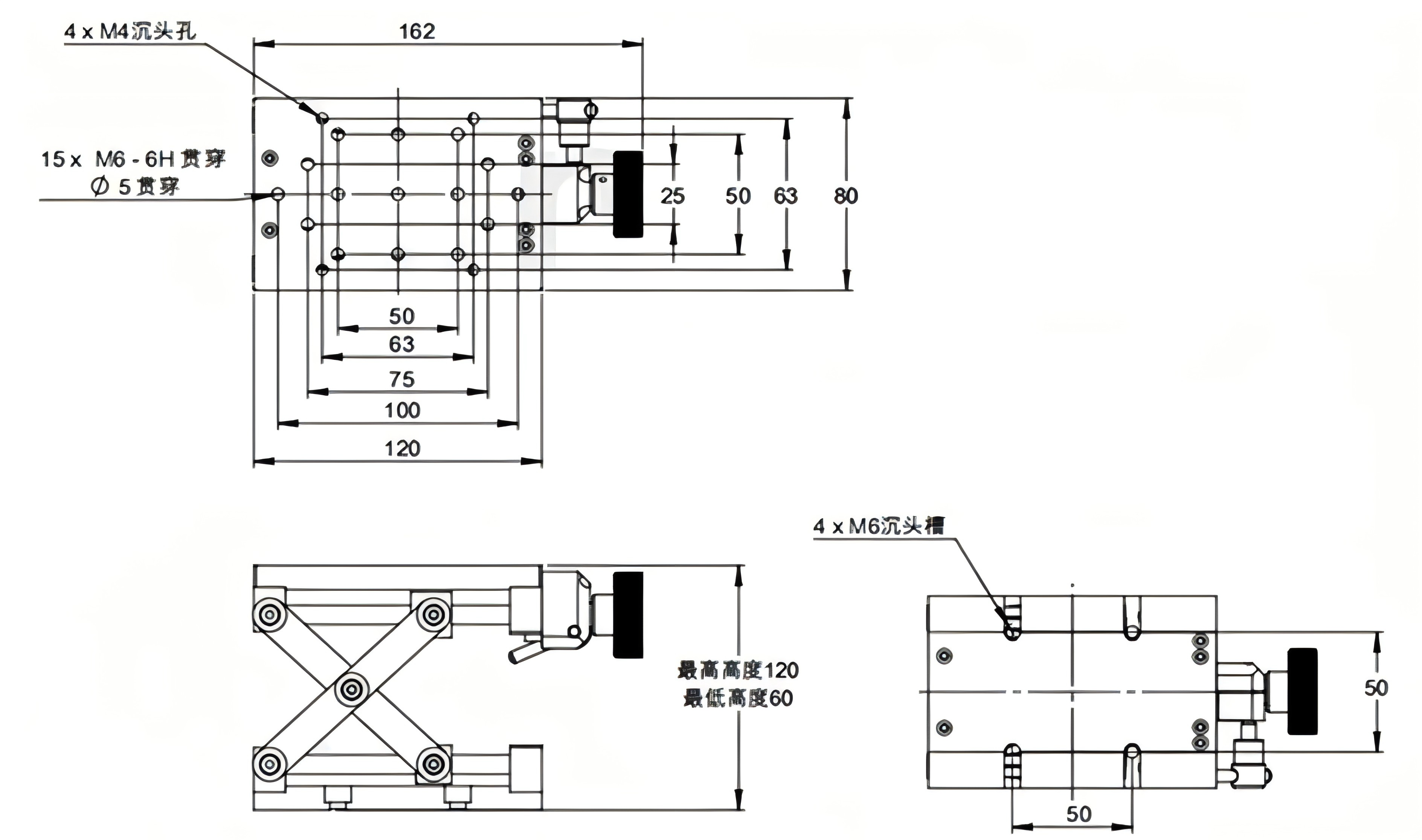
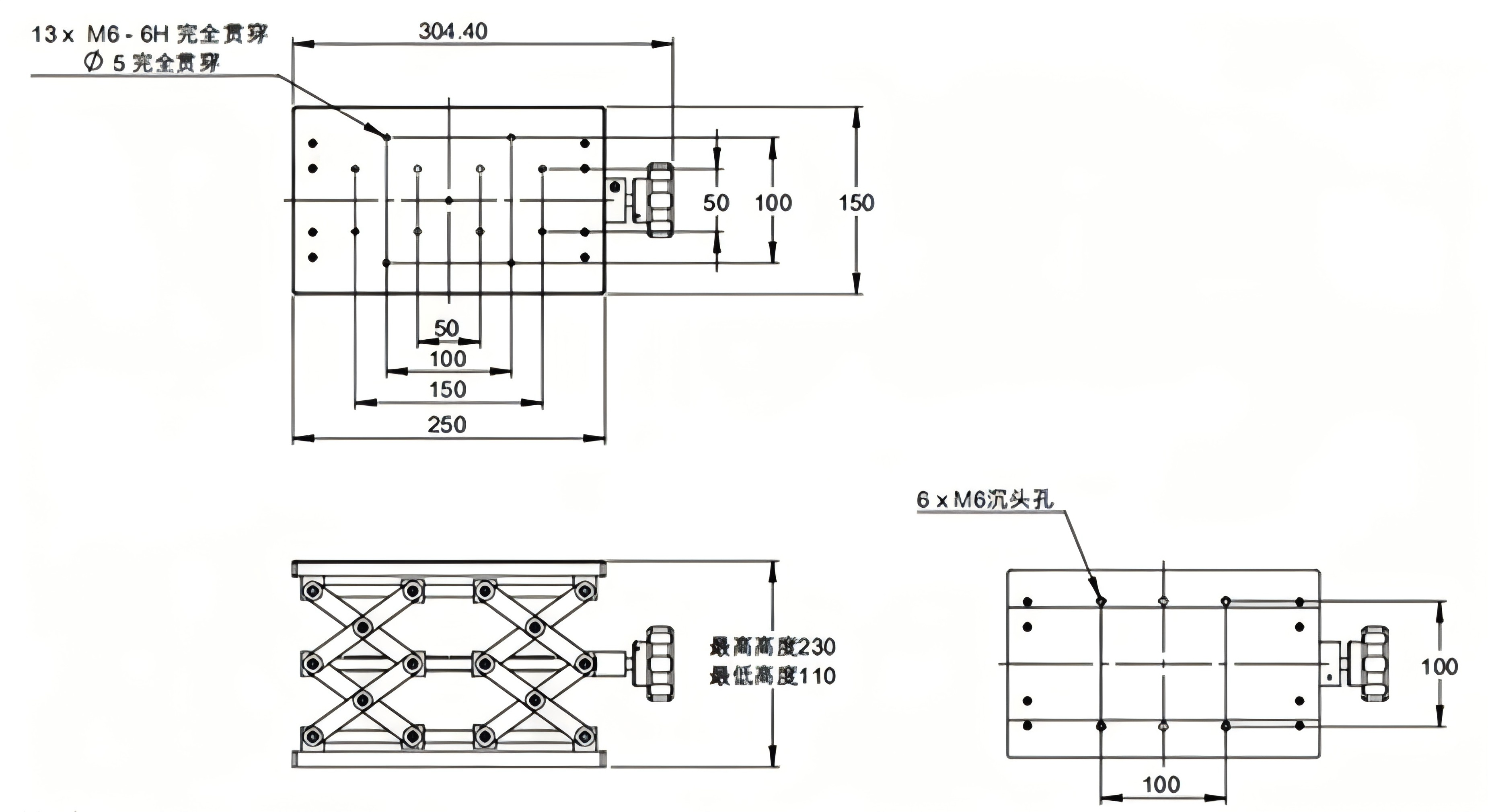
规格型号


型号 材质 台面大小(mm) 行程(mm) 负载(kg) 主体重量(kg)
MSJ-0812 铝合金黑色阳极 80*120 60-120 40 1.5
MSJ-1525 150*250 110-230 70 2.8
MSJ-1540 150*400 110-350 120 6


MSJ-0812


MSJ-1525


MSJ-1540