武汉厘米自动化设备有限公司
光电耦合封装系统
分析测试探针系统
精密运动控制平台
光应用器件组件
精密减振系统

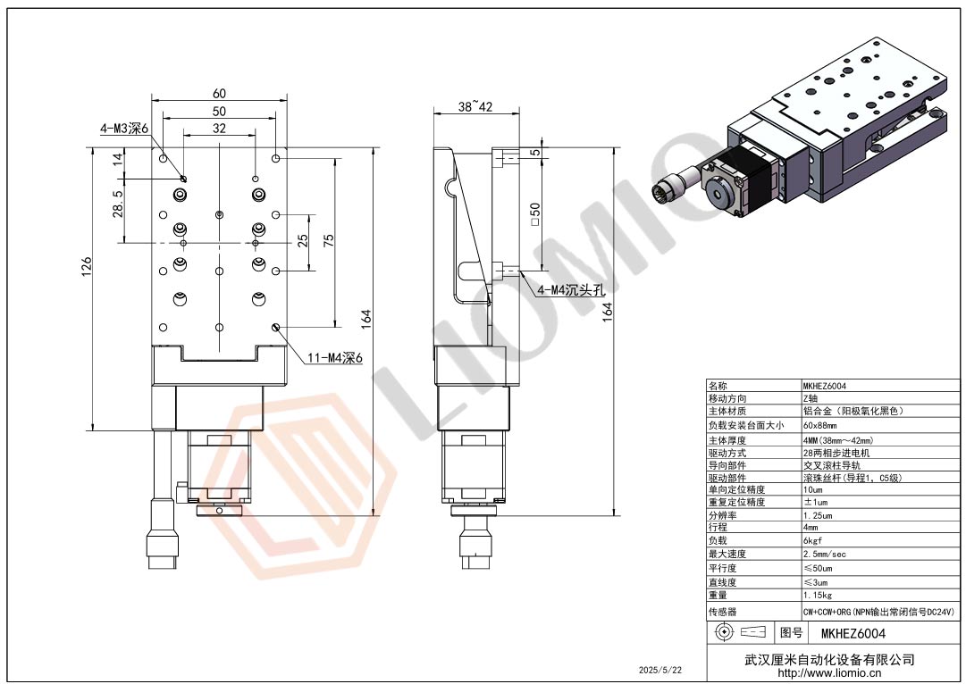
楔块式 ·重载型·水平升降MKHEZ系列

  • 产品介绍
  • 图纸/资料下载

【产品参数】

分类

参数项

MKHEZ6004

MKHEZ8008

MKHEZ12015

MKHEZ12030

MKHEZ18050

MKHEZ24024

机械参数

材质

铝合金(黑色阳极)

台面大小 (mm)

60×88

80×100

120×120

120×150

180×180

240×240

行程 (mm)

4

8

15

30

50

24

主体厚度 (mm)

38~42

63~71

79~94

85~115

137~187

82~106

传动机构

滚珠丝杆 0801

滚珠丝杆 1202

导向机构

交叉滚子导轨

精度参数

分辨率 (μm)

1.25

1.825

1.825

2.5

5

单向定位精度 (μm)

10

15

重复定位精度 (μm)

±1

±2

平行度 (μm)

≤50

≤70

负载 (kgf)

7

20

30

50

电气参数

电机类型

2 相步进电机(可选配五相电机)

步距角

1.8°

额定电流

2A

4A

2A

最大速度

2.5mm/sec

3.7mm/sec

5mm/sec

10mm/sec

传感器

CW+CCW+ORG(NPN 常闭 DC24V)